Funcionamento do Clapper

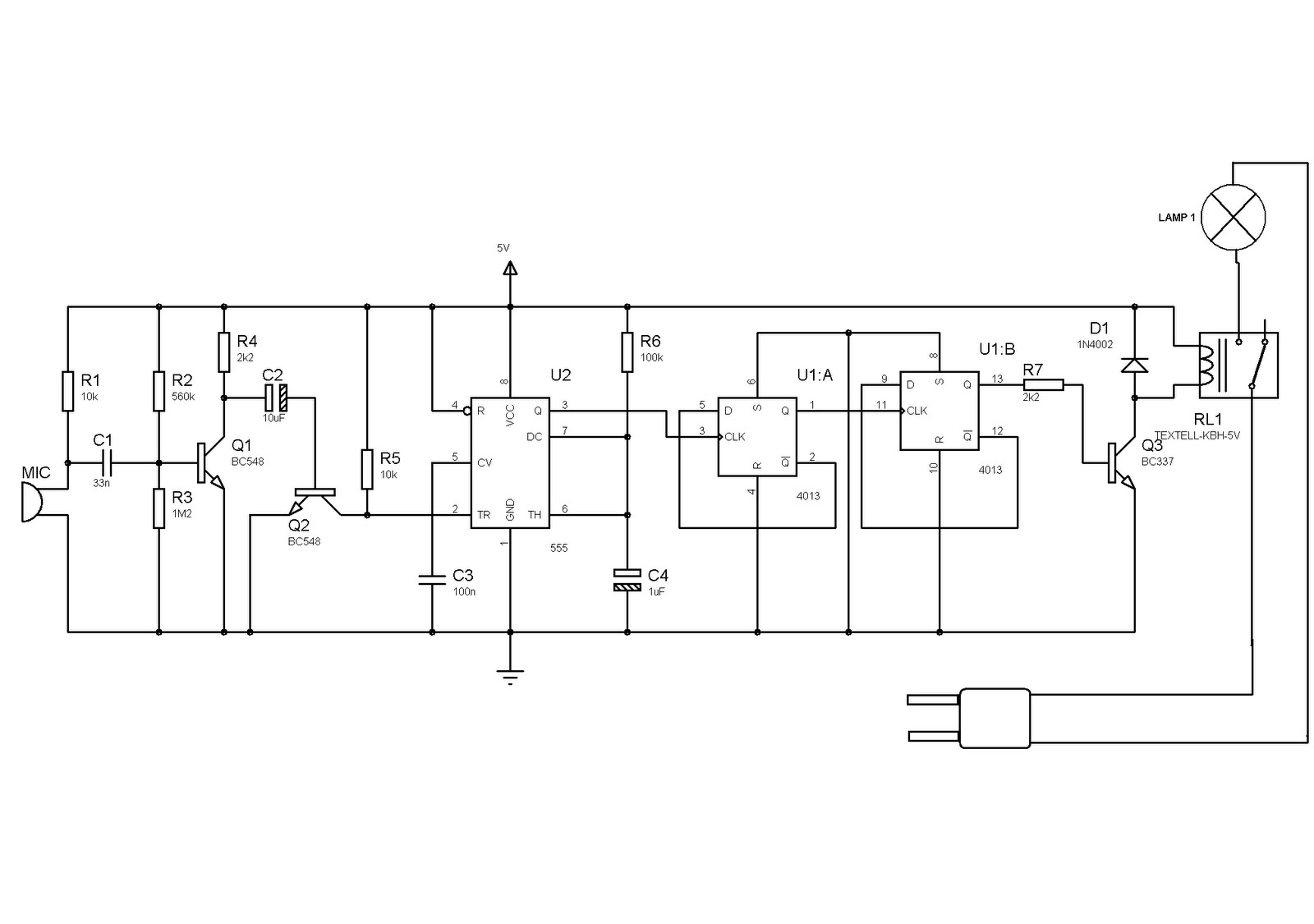
Galera, estou com uma dúvida sobre o funcionamento deste circuito. Basicamente minha dúvida se concentra no porque de existir um divisor de tensão para polarizar o transistor Q1 e qual a finalidade de R1, C1, R4 e C2.

Agradeço desde Já a compreensão!

Bem, vejamos:
*Divisor de tensão em Q1=> Esse transistor está operando como amplificador de áudio, portanto está operando na região linear. O divisor de tensão fornece uma fonte de tensão para a base do transistor, permitindo que ele percorra uma faixa de tensão linear(analógica).
*Resistor R1=> Este resistor está atuando como limitador de corrente para o microfone, que seria danificado caso fosse ligado diretamente entre +5V e Gnd.
*Capacitor C1=> Capacitor de acoplamento de áudio. Ele isola o sinal de áudio(oscilante), da tensão da fonte(contínuo), permitindo que apenas o som, capitado pelo microfone, chegue ao transistor Q1.
*Resistor R4=> Resistor de polarização do coletor de Q1. Limita a corrente sobre Q1, permitindo seu funcionamento.
*Capacitor C2=>Função semelhante à de C1, permitindo que apenas o sinal de áudio(oscilante), já amplificado por Q1, chegue a base de Q2.

Espero ter ajudado.

Muito obrigado jack e desculpe pela demora, explicaçao bastante intuitiva e bem informativa!